木造住宅の耐震診断と補強方法で家族の安全を守る:後編
投稿日: 2026.01.20
耐震診断の目的や種類、時期や費用などは前編に記載しています。
耐震診断と補強に関するさらに詳しい情報
1.耐震診断の具体的な流れ
耐震診断は、一般的に以下のステップで進められます。
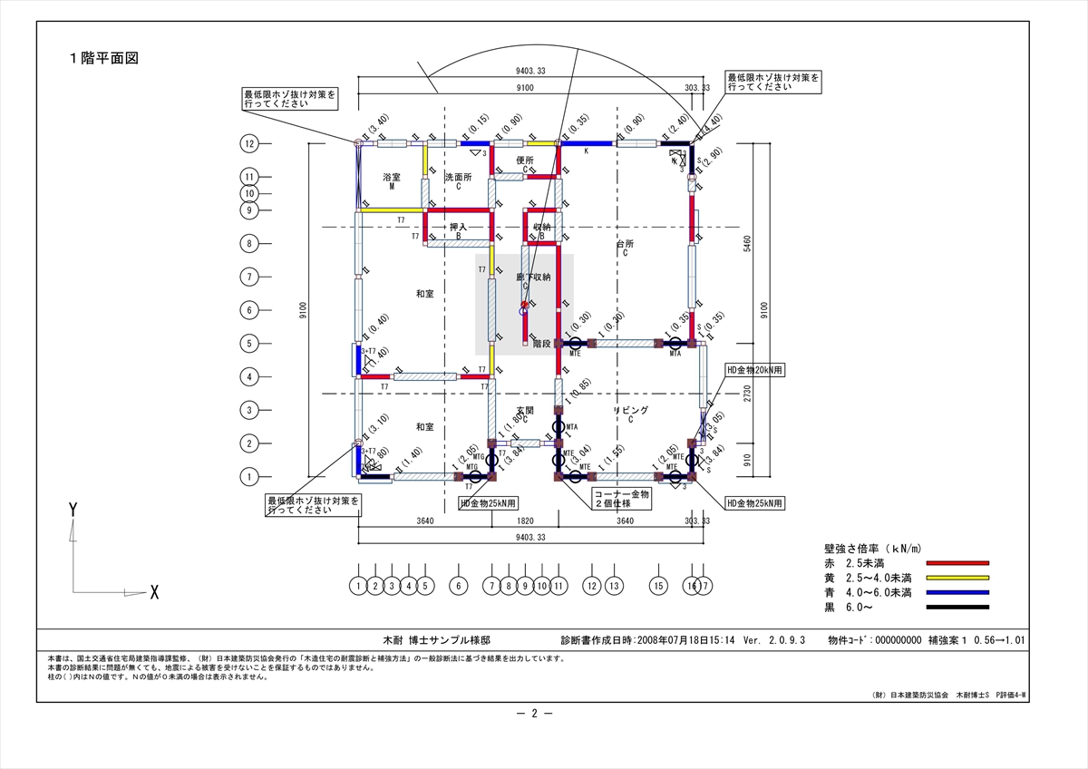
①予備調査とヒアリング:建物の築年数、構造、増改築の履歴、過去の地震被害の有無などを確認します。所有者からの聞き取りも重要です。
②現地調査(目視・非破壊検査):基礎のひび割れ、柱や梁の傾き、壁の損傷状況などを目視で確認します。必要に応じて、非破壊検査機器を用いて構造内部の状態を調べます。
③図面照合と構造計算:既存の設計図面と現地調査の結果を照合し、現在の耐震基準に基づいた構造計算を行います。
④診断結果の報告:診断結果を数値化し、建物の耐震性能を評価します。補強が必要な場合は、具体的な補強計画と概算費用が提示されます。

2.耐震補強工事の費用を抑えるポイント
耐震補強工事は高額になりがちですが、いくつかの工夫で費用を抑えることが可能です。
補助金制度の活用:多くの自治体で耐震診断や改修工事に対する補助金制度が設けられています。これらの制度を積極的に活用することで、実質的な負担額を大幅に減らすことができます。補助金の対象となる条件や申請期間は自治体によって異なるため、事前に確認が必要です。
優先順位の設定:診断結果に基づき、最もリスクの高い箇所から優先的に補強を行うことで、費用対効果の高い改修が可能です。必ずしも建物全体を完璧に補強する必要はなく、最低限の安全性を確保するための補強に絞ることも選択肢の一つです。
リフォームと同時に実施:キッチンや浴室などのリフォームを行う際に、同時に耐震補強工事を実施することで、足場代や解体費用などのコストを削減できる場合があります。

3.耐震補強における注意点
耐震補強工事を進めるにあたっては、いくつかの注意点があります。
専門業者の選定:耐震診断や補強工事は高度な専門知識を要します。実績が豊富で、信頼できる建築士や工務店に依頼することが重要です。
建物の状態の正確な把握:特に旧耐震基準の建物では、図面が残っていない場合や、増改築により構造が複雑になっている場合があります。診断時に建物の状態を正確に把握することが、適切な補強計画の策定に不可欠です。
湿気対策と構造材の劣化:木造住宅の耐震性を低下させる大きな要因の一つに、湿気による構造材の腐朽やシロアリ被害があります。耐震補強を行う際には、これらの劣化状況も同時に確認し、必要に応じて防腐・防蟻処理や換気対策を施すことが、長期的な建物の維持に繋がります。特に、床下や壁内部への水の浸入は構造材の劣化を早めるため、防水対策も重要です。

4.耐震補強後のメンテナンス
耐震補強工事が完了した後も、建物の安全性を維持するためには適切なメンテナンスが必要です。
定期的な点検:補強箇所に異常がないか、定期的に専門家による点検を受けることを推奨します。特に、地震後には速やかに点検を実施することが重要です。
外壁や屋根の維持管理:外壁や屋根の劣化は、雨水の浸入を引き起こし、構造材の腐朽に繋がる可能性があります。定期的な塗装や防水工事を行い、建物を外部の環境から守ることが、耐震性の維持に役立ちます。
木造住宅の耐震化は、単なる工事ではなく、家族の未来を守るための投資です。適切な診断と補強を通じて、安心できる住環境を整えましょう。



